比较器讲解 比较器基础篇
比较器讲解 比较器基础篇
比较器顾名思义就是用来作比较的,有两个输入端IN 和IN-,可选择其中一个输入端作为参考点来比较,当另一输入端电压小于参考电压时比较器输出低电平,反之输出高电平,下面结合图片来简单说明。

选择负输入端作为参考,当正输入端V1大于V2时,Vout输出高电平,当V1小于V2时,Vout输出低电平。
那么,前面说到的比较器输出的高电平和低电平到底时多大呢?高电平是5V还是15V或者是其他电压?低电平是0V还是-15V还是其他电压?
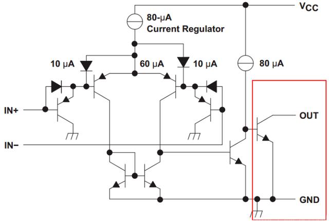
为了搞清楚这个问题,我们就需要了解比较器输出端的电路结构,先看下比较器的内部电路框图:

从框图中可以看出比较器的输出端是个OC输出(集电极开路),说到OC输出,大家应该就知道前面说到的高低电平如何确定了,OC输出是悬空的,使用时需要接上拉电阻,直接贴图说明:

从上图可以看出,高电平的电压是等于上拉电阻的VCC值,低电平电压等于地(0V)。
所以可以根据输出高电平电压范围来选择适合的上拉电压VCC,如需要输出5V则将输出端上拉到5V,而低电平则由比较器的地决定,这就涉及比较器的单电源还是双电源供电问题了,低电平电压就等于比较器的负电源电压。
单电源供电

双电源供电

从这个应用也可以看出,当你不需要输出负压,就选择单电源供电,如果需要输出负压就选择双电源供电。
最后来个总结:
1、根据输出是否需要负压来选择供电方式
2、当正输入端电压大于负输入端电压时,比较器输出高
3、当正输入端电压小于负输入端电压时,比较器输出低
,
-
- 物理学家霍金生平简介(物理学家霍金去世)
-
2023-08-30 09:01:04
-
- 怎么理解由俭入奢易由奢入俭难(由俭入奢易由奢入俭难)
-
2023-08-30 09:00:17
-
- 岿然不动的读音(岿然不动解释)
-
2023-08-30 08:58:59
-
- 温柔到爆的神仙作文(温柔到爆的神仙作文范文)
-
2023-08-30 08:58:11
-
- 食用菌种植技术
-
2023-08-30 08:56:55
-
- 守护甜心所有甜心的图(还记得守护甜心么)
-
2023-08-30 08:56:05
-
- 安全裤是啥(安全裤的介绍)
-
2023-08-30 08:54:50
-
- 铂金与白金是一样的吗(一篇读懂两者的区别)
-
2023-08-30 08:53:59
-
- 太阳系的八大行星有哪些(太阳系的八大行星简介)
-
2023-08-30 08:52:45
-
- 养蛇怎么养(养蛇的方法介绍)
-
2023-08-30 08:51:53
-
- 金毛犬好养吗(金毛犬性格怎么样)
-
2023-08-30 08:50:40
-
- 九球潘晓婷有多高(名气恐不输姚明)
-
2023-08-30 08:49:48
-
- 语重心长的重的意思是(语重心长介绍)
-
2023-08-30 08:48:35
-
- 茄子凉拌好吃又简单(凉拌茄子教你这样做)
-
2023-08-30 08:47:42
-
- 淘宝分期付款怎么弄(方法很简单)
-
2023-08-30 08:46:30
-
- 苏宁易购怎么绑定电子礼品卡(苏宁易购礼品卡如何绑定使用)
-
2023-08-30 08:45:36
-
- 如何控制油门(有什么技巧)
-
2023-08-30 08:44:25
-
- 九阳电高压锅价格(九阳售后维修点查询)
-
2023-08-30 08:43:30
-
- 色散现象(关于色散现象)
-
2023-08-30 08:42:21
-
- 春望杜甫原文(春望讲解)
-
2023-08-29 20:58:02



玄幻小说完结巅峰之作排行(2023十大完结巅峰神作)
微量元素有多少种 查微量元素,不要想当然(健康直通车(第67站))