PLC编程中基础的6种编程实例图,建议学习!
PLC编程中基础的6种编程实例图,建议学习!
各位朋友们大家好我是王俊杰,之前的文章中我详细讲解了我的PLC编程核心秘诀经验分享,大家说学习了我的那篇文章的编程方法,提升效果很明显:大家可以看看上面的秘诀文章,文章中我分享了三个学习PLC编程核心秘诀,学会后你的编程水平会有提升。如何构建PLC编程思路?如何写出更容易调试的程序?如何更高效的写出PLC程序?在上面的文章中我都写了出来,大家先点进去看看,再看后面的内容效果会更好1、起保停控制电路
控制要求:按下起动按钮(I0.0为ON),Q0.0为ON;按下停止按钮(I0.1为OFF),Q0.0为OFF。梯形图见图1。

图1起动优先
2、互锁控制电路
在如图2所示的互锁电路中,I0.0I0.1是启动按钮,I0.2是停止按钮。
在图2(a)中,Q0.0和Q0.1通过输出进行互锁,一个得电,另一个必须在停止前一个的基础上才能启动,即只能是先停后启。

图2(a)
在图2(b)中,启动和输出双重互锁。

图2(b)
3、多地控制电路
图3所示是一个多地控制电路梯形图。I0.0、I0.1、I0.2是多地启动按钮,I0.3、I0.4、I0.5是多地停止按钮。

图3
4、顺序控制电路
比如有3台电动机,按启动按钮I0.0,3台电动机Q0.0、Q0.1、Q0.2依次启动;按停止按钮I0.1,3台电动机Q0.0\Q0.1、Q0.2依次反向停止。这个程序在诸如皮带机控制等顺序控制机械中应用广泛。顺序控制梯形图如图4所示。

图4
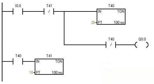
在图中,启动时,I0.0为ON,用通电延时时间继电器T37通过比较指令来依次启动电动机,当T37的当前值等于100时,即定时10s时,启动Q0.1,20s时,启动Q0.2。停止时,I0.1为ON,用断电延时时间继电器T38通过比较指令来依次反向停止电动机。
5、二分频电路
二分频电路也叫单按钮电路。在许多控制场合,需要对控制信号进行分频,有时为了节省一个输人点,也需要采用此种电路。图5是实现二分频运行时序控制的两种梯形图。

图5(a)
在图5(a)中,10.0第一一个脉冲到来时,PC第一次扫描,MO.0为ON,Q0.0为ON,第二次扫描,00.0自锁;10.0第二个脉冲到来时,PC第一次扫描,MO.0为ON,MO.1为ON,Q0.0断开,第二次扫描,M0.0断开,Q0.0保持断开;依次类推。

图5b
图5b前面梯形图的原理差不多,不再作说明。
此电路多用于一个按钮控制一盏灯的两种状态。I0.0下面可并联多个输入按钮,就可实现多个开关控制一盏灯。
6、闪烁电路
闪烁电路也称为振荡电路。闪烁电路实际上就是一个时钟电路,它可以是等间隔的通断,也可以是不等间隔的通断。
在实际的程序设计中,如果电路中用到闪烁功能,往往直接用两个定时器或一个定时器组成闪烁电路。

图6a
图6a是一个简易的闪烁电路控制梯形图,它适用于控制精度不高的场合。图6b和c是两个常用的闪烁电路控制梯形图。

图6b
这个电路不管其他信号如何,I0.0一通电,它就开始工作,通断的时间值可以根据需要任意设定。图6b为一个通2s、断1s的闪烁电路控制梯形图。

图6c
图6c为一个断2s、通1s的闪烁电路控制梯形图。
熟悉上面的控制图,定时器的使用会有很大的提高。
我做电气工程自动化PLC设计有十年时间的经验了,对于电气工程接线以及PLC编程都有很深的研究,我总结了PLC编程的有效方法,实用方便,直接套用这套方法就能够轻松编写程序。其中PLC和触摸屏通讯的案例我都做了非常详细的分享。现在我把课程二维码放到下面,截屏保存面到手机,打开微信扫描二维码即可观看我的分享。

这是我用了近10年的时间,找到了有效解决这些问题的好方法,我把这套方法讲给学员后,他们的编程水平提高了很多,收获了巨大的价值:
2.我会在课程中传授我做编程中总结的3个快速编程核心秘诀。掌握之后你会真正做到有序有步骤的编程,学会后你也能轻松搞定项目。3.在课程中我会带着大家一起做工程实例,套用我的编程秘诀,进行纯实战项目。现在很多教程都缺少详细的工程实例,理论讲完了却用不上。我用我近10年来的核心经典案例给大家讲解,这些真实程序案例都是调试成功并且稳定运行的,大家看过这些工程案例后,学会了里面的编程经验和方法,直接套用,就可以轻松高效的写出程序,应对各种复杂工程,学了立刻用的编程课。希望大家进去看看我的分享,价值巨大。
祝奋斗在电工领域的朋友们早日成功!
-
- 国产车质量排名前十位有哪些车,国产什么车质量最好
-
2024-04-07 08:45:04
-
- “千里眼”的合规问题--如何理解信息“收集”
-
2024-04-07 08:42:48
-
- 续航超400km9.99万元起售北汽新能源EC5杀入纯电动小型SUV市场
-
2024-04-07 08:40:32
-
- 分析及研究设计汽车自动驾驶系统
-
2024-04-07 08:38:16
-
- 油电混合电动汽车怎么样
-
2024-04-07 08:36:01
-
- 汽车发动机的工作原理,发动机原理动态图
-
2024-04-07 08:33:45
-
- 买奔驰c180后悔了,奔驰c180l的优缺点点评
-
2024-04-07 08:31:29
-
- 这次比亚迪口罩出口美国,为什么还会着了美国的道?
-
2024-04-07 08:29:13
-
- ZPG A1 独角兽复古掌机开启预售:Helio G99 处理器,899 元起
-
2024-04-06 09:25:15
-
- 岚图汽车累计产销达 10 万辆,推出置换补贴至高 5 万元活动
-
2024-04-06 09:22:59
-
- 律师称清明当天加班需付3倍工资
-
2024-04-06 09:20:43
-
- 中国清明档新片票房已超亿元,宫崎骏新作热度领先
-
2024-04-06 09:18:27
-
- 欢迎回家!旅韩大熊猫“福宝”平安抵达成都
-
2024-04-06 09:16:11
-
- 七彩虹推出旗下首款迷你主机 CMHN01:i5-12450H,1559 元起
-
2024-04-06 09:13:55
-
- 雅虎收购 Artifact,将 AI 技术融入旗下产品
-
2024-04-06 09:11:40
-
- 布林肯为美俄恢复对话开条件:莫斯科改变政策
-
2024-04-06 09:09:24
-
- 大定超10万、锁单4万!雷军亲手交付首批小米SU7
-
2024-04-06 09:07:08
-
- 停飞!波音赔偿超11亿元
-
2024-04-06 09:04:52
-
- 抖音电商副总裁木青调离,将赴TikTok电商任职
-
2024-04-03 01:24:55
-
- 公示!北大拟录取蔡元培
-
2024-04-03 01:22:39



芬兰人为什么是黄种人,为什么地处北欧的芬兰人长得像中国人
南宁铁路局集团领导班子成员